去产能升级!《钢铁行业产能置换实施办法》公开征求意见
发表日期:2025/10/29 14:07:20 工业和信息化部
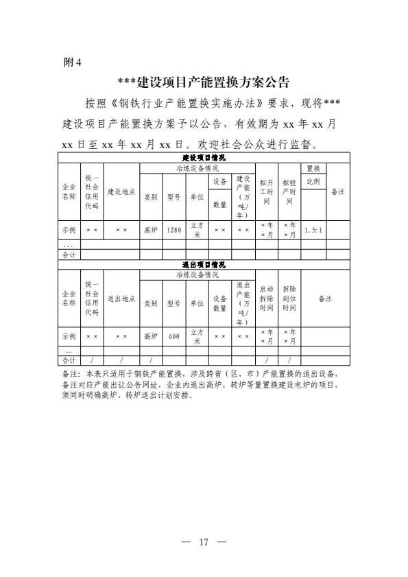
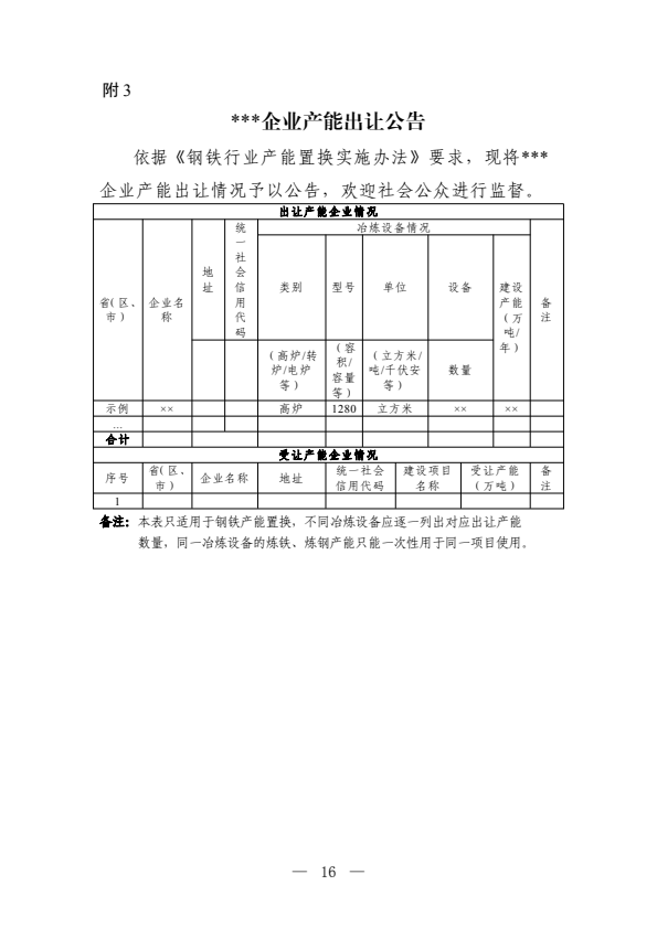
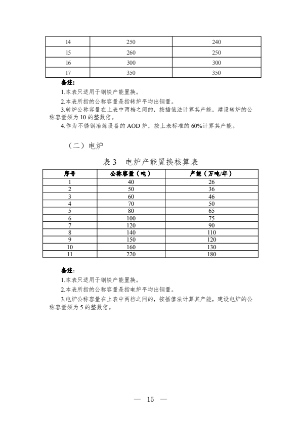
工信部网站10月24日消息,工业和信息化部对《钢铁行业产能置换实施办法》进行了修订,研究形成了《钢铁行业产能置换实施办法(征求意见稿)》,现公开征求意见。要点梳理如下:1.炼铁、炼钢产能置换比例均不低于1.5:1。对2021年6月1日之后兼并重组新取得的合规产能用于项目建设的,产能置换比例均不低于1.25:1。2.自本办法实施之日起2年,全国范围内不同企业之间可实施产能置换。之后,不同企业之间不再实施产能置换,可以通过兼并重组实现产能整合、转移。3.长江经济带地区禁止在合规园区外新建、扩建钢铁冶炼项目。重点区域严禁新增钢铁产能总量,严禁从非重点区域向重点区域转移钢铁产能,严禁不同重点区域间转移钢铁产能。4.建设项目投产前应当拆除用于置换的所有退出设备,使其不具备恢复生产条件。全文如下:
完整原始文档下载阅读:10.27

















信息监督:马力 010-63967913 13811615299
相关文章
- 10月29日东华废钢执行价格上调10元2025/10/29
- 10月29日广西南宁钢厂废钢采购价格上调20元2025/10/29
- 国内废钢市场价格稳中偏强运行 明日主稳个涨2025/10/28
- 10月28日华北废钢市场持稳运行 明日市场偏强运行2025/10/28
- 10月28日进口普碳废钢价格2025/10/28
- 10月28日兰格钢铁网废钢流通基准价格指数为2138平2025/10/28
